About This File
Operator manual #3315-389
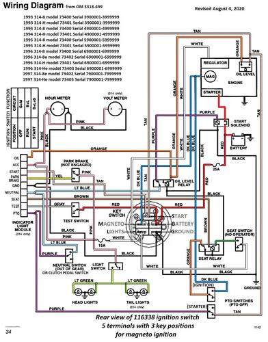
Wiring
32 pages 3.46MB
Color wiring pdf
1 page 548KB
Lube chart SS
Details & Attachments
3 pages 120.10KB
1993 314-8 model 73400 Serial 3900001-3999999
1993 serial numbers that have shown up for the 73400
3900478
3900590
3900603
3900605
3900683
3901213
3901525
3901536
3902100
3902113
