About This File
Operator manual #3319-271
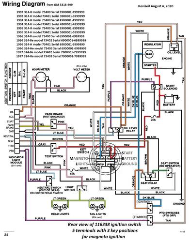
Wiring
44 pages 1.41MB
Color wiring pdf
1 page 548KB
Lube chart SS
Details & Attachments
3 pages 121.58KB
1997 314-H model 73403 Serial 7900001-7999999
1997 serial numbers that have shown up for the 73403
7900379
7900441
7900451
7900729
7900738
7900852
7900891
