About This File
Operator manual #3315-390RevA or #3315-390 RevA
Wiring
Part 1 of 2
16 pages 3.12MB
Part 2 of 2
16 pages 3.68MB
IPL #3316-944
52 pages 9.73MB
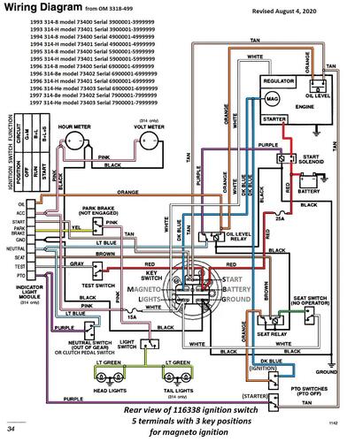
Color wiring pdf
1 page 548KB
Lube chart SS
Transmission drive belt 108501 - (HB/5L x 81.50" or 5/8" x 81.5")
Details and attachments
3 pages 120.84KB
1994 314-H model 73401 Serial 4900001-4999999
1994 serial numbers that have shown up for the 73401
4900109
4900352
4900363
4900447
4900867
4900869
