Jump to content

Tractor 1990 520-8 Wiring Detailed Rev.pdf

Sign in to follow this  

gwest_ca

2 Screenshots

About This File

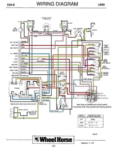
Wiring Detailed Color pdf

6 pages 2MB

p7-113 to p7-118

 

1990 520-8 model 41-20O801




×
×
  • Create New...