About This File
Operator manual #3318-499
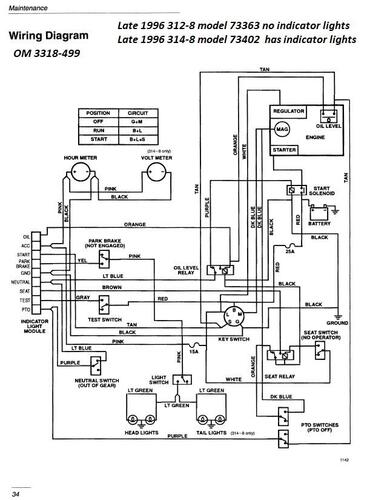
Wiring not correct for 312-8 - no indicator light module in 1996 but shown in diagram. IPL 3318-518 diagram is correct.
40 pages 3.74MB
Setup instructions #3318-503
8 pages 658.75KB
Lube chart SS
1996 312-8 model 73363 Serial 6900001-6999999
