About This File
Operator manual #810569R1
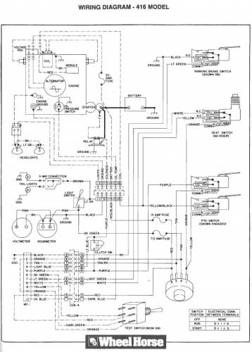
Wiring
33 pages 1.75MB
Wiring Color pdf - White and green corrected at ignition switch
Some diagrams show different wire colors for the low oil circuit.
1 page 374KB
15 amp regulated charging system on Kohler engines
Low oil level switch in Kohler starter circuits
Export models use Kohler M12S-471546
Lube chart SS
1989 310-8 model 21-10K806
1989 312-8 model 21-12K806
