About This File
Operator manual #810249R2 or 810249 R2
8pages 7.73MB
IPL from Toro Master Parts Viewer
7 pages 389.40KB
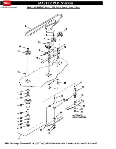
Fits GT-1848 Twin Auto
48in SD mower model A5-48MS02 was standard equipment on 1983 GT-1848 Twin Automatic model D1-184801
Drive belt 102742 replaced by 94-2501 (1/2" x 103")
Spindle belt 1594 (1/2" x 107.21")
Mower spindle assemblies could be L, M, V or Z
For V see service bulletin 292B
106078 blade replaced by 106637 3-blade set (3/4" round hole)
Mower Rotary 1983 48in SD model A5-48MS02
1983 serial numbers that have shown up for the A5-48MS02
41873 - Build date 1983 3094 April 04 Monday
42873 - Build date 1983 3094 April 04 Monday
43106 - Build date 1983 3098 April 08 Friday
