Partial dash and wiring harness from a post-1991 520-H (had reduction steering & swept axle).
This came from a partially stripped roller that passed through a number of hands before it came to me so I have no solid information on its provenance.
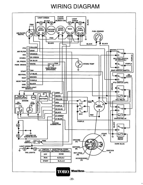
The dash:
- All gauges present & wired but NOT tested: hours, voltage, vacuum, tach, fuel (all except hour meter have illumination bulbs so possibly mid-90’s)
- Electronic warning lamp unit is in place (the plastic insert cover with labeling is missing)
- Hour meter shows 108 hours (so probably was messed with)
- Switches for warning light test and headlights are missing
- Fascia with steering shaft collar included
The wiring harness:
- Appears complete and dirty but unhacked as compared to 1991 wiring diagram and the IPL (part no. 79-3630) below
- Connectors to non-dash components (ignition switch, parking switch, PTO switches, ground, etc) are mostly in ok shape but will need cleaning
- 9-pin connector is dirty but not burned
- Has discrete fuse holders instead of the fuse block shown in the IPL
-
1

Recommended Comments